Rethinking mmWave Measurement: Beyond the Traditional VNA
April 20, 2026Millimeter-wave testing is no longer a niche requirement. From 5G FR2 and satellite communications to radar, imaging, and advanced materials, mmWave measurement has become routine across modern RF environments.
Yet many labs still rely on a legacy architecture: a full-featured vector network analyzer (VNA) permanently paired with frequency extenders.
At first glance, this seems logical. In practice, it creates a fundamental inefficiency.
The Hidden Inefficiency in mmWave Test Setups
When a VNA is connected to mmWave extenders, its role changes significantly. It no longer operates as a standalone measurement instrument. Instead, it serves as:
- An RF stimulus source
- A local oscillator (LO) provider
- An intermediate frequency (IF) receiver and processor
The extender defines the high-frequency measurement path. The VNA becomes a backend.
Despite this reduced role, the full cost, complexity, and capability of the VNA remain
Why Using a VNA for Frequency Extension Is Wasteful
A modern VNA is designed for:
- Broadband operation from low frequencies into tens of GHz
- Internal reflectometry
- Standalone S-parameter measurements
None of these capabilities are required when the instrument is dedicated to extenders.
In real-world labs, reconfiguring the VNA back to standalone operation requires disconnecting cables, reinstalling loopbacks, and handling precision connectors. While straightforward, this process introduces friction.
As a result, many systems are left permanently configured for mmWave use.
The outcome is predictable:
- High-value VNAs become locked into a single role
- Other instruments are used for routine measurements
- Lab resources are not used efficiently
A More Efficient and Direct Approach to mmWave Measurement
A better solution is to replace the general-purpose VNA with a backend designed specifically for extender operation.
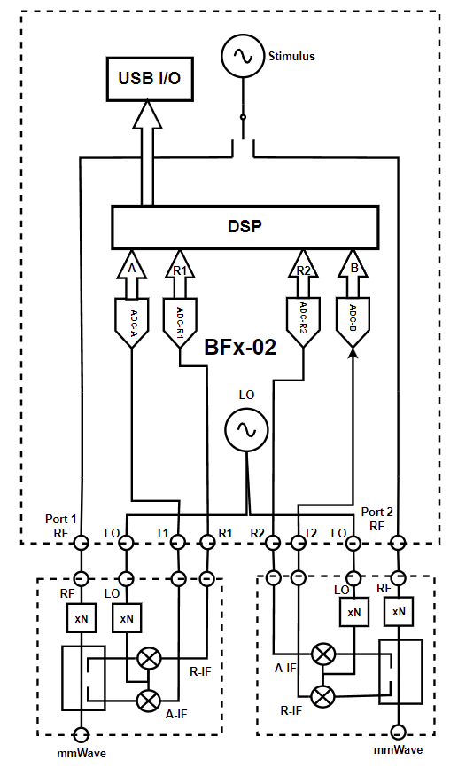
With 15 years of expertise in RF measurement, Copper Mountain Technologies – a recognized leader in innovation in RF measurements and vector network analyzers (VNAs) – has once again introduced an advanced solution: a dedicated device with optimized hardware for mmWave S-parameter measurements, the BFx-02 Frequency Extension Base (patent pending). The BFx-02 replaces the general-purpose VNA with a backend designed specifically for extender operation.
Rather than attempting to replicate full VNA functionality, the BFx focuses only on what is required:
- Generating RF stimulus for the extender
- Providing stable LO drive
- Receiving IF signals from the extender
- Processing those signals to recover vector measurements and generate S-parameters
By eliminating unnecessary functionality, the architecture becomes simpler, more efficient, and better aligned with mmWave workflows.
Figure 1 – BFx-02 System Connections
Figure 2 – BFx mmWave Measurement System
Performance Where It Counts: Boosting mmWave Measurement Power and Stability
Removing internal VNA constraints provides immediate benefits.
Without a directional bridge in the signal path, RF and LO signals can be delivered more directly. This results in higher available drive power at the extender input.
In real lab environments, where cable lengths, and physical constraints introduce loss, this additional margin is critical. It enables stable measurements with longer cable runs.
Operational Advantages
A purpose-built backend also improves day-to-day operation:
- No repeated reconfiguration of the measurement setup
- Reduced connector wear and setup errors
At the same time, general-purpose VNAs remain available for tasks that truly require them, such as broadband characterization and device modeling.
Lower Cost, Better Scalability
Because it is optimized for a specific role, a dedicated backend can be implemented at significantly lower cost than a full VNA.
This makes it practical to deploy multiple mmWave stations without tying up higher cost instruments allowing for efficient production test scaling, faster design validation, and fewer bottlenecks when project delivery timelines have a direct impact on time-to-market, cost efficiency, and overall product competitiveness.
For organizations scaling mmWave testing, this is a critical advantage.
Aligning Architecture with Reality
In many environments, mmWave measurements always involve extenders. In these cases, continuing to rely on a full VNA is often driven more by habit than by actual measurement requirements.
A purpose-built BFx-02 Frequency Extension Base better reflects how these systems are used in real-world environments, delivering a more efficient and cost-effective alternative for mmWave S-parameter testing.
It does not replace the VNA universally. It replaces it where its capabilities are unnecessary, enabling streamlined workflows, optimized performance, and improved scalability in mmWave test and measurement processes.
The Bottom Line
If your VNA is permanently connected to extenders, it is no longer functioning as a VNA.
It is functioning as a backend.
The BFx-02 Frequency Extension Base is designed specifically for that role, delivering:
- Higher usable RF and LO power
- Reduced system complexity
- Lower cost per test station
- Improved lab efficiency
As mmWave testing continues to expand, aligning your measurement architecture with actual usage is no longer optional. It is a competitive advantage.
Learn more about the VNA
Manufacturing Test for Automated Measurements
